

| Broj stupova | 2 |
| Nosivost | 3500 kg |
| Raspored stupova | Asimetričan |
| Način pogona | Elektromehanički |
| Upravljanje | Električno |
| TeqLink | Standard |
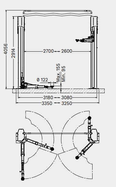
| Maks. visina podizanja | 2010 mm |
| Vrijeme podizanja | 42 s |
| Min. visina ploče | 95 mm |
| Maks. visina ploče | 155 mm |
| Raspon između stupova | 2600–2700 mm |
| Širina prolaza | 2372–2472 mm |
| Min. prednji krak | 668 mm |
| Maks. prednji krak | 1143 mm |
| Min. stražnji krak | 686 mm |
| Maks. stražnji krak | 1474 mm |
Za točan izračun ili više informacija kontaktirajte nas na:
Više infomacija na: Financiranje autoservisne i vulkanizerske opreme za pravne osobe putem operativnog leasinga
U suradnji s našim bliskim partnerom Grenke leasing-om omogućujemo vam moderan oblik financiranja autoservisne opreme i alata za pravne osobe. Leasing je dugoročni financijski proizvod i razlikuje se od kredita u osnovi po tome što banke za kredite kao sredstvo osiguranja plaćanja uzimaju čvrsti kolateral (hipoteka na nekretninu), a u leasingu je kao osiguranje plaćanja isključivo vlasništvo leasing kuće nad objektom leasinga.
| Nosivost | 3,5 T |
| Napon | Trofazni |
Ovaj model je namijenjen profesionalnim autoservisima koji rade s osobnim vozilima, SUV-ovima i električnim vozilima do 3.5 t. Optimalno opterećenje je do cca 10–20 podizanja dnevno u standardnom radnom vremenu. Ako radite kontinuirani rad (8h bez pauze) ili imate veći protok vozila, preporuka je ići na jači model (4.0 t ili više).
Ova dizalica nije preporučena za rad s težim dostavnim vozilima, kombijima ili vozilima iznad 3.5 t. Također nije optimalna za radionice s visokim opterećenjem (30+ podizanja dnevno) jer elektromehanički sustav zahtijeva više pauza u radu. U tim slučajevima bolje je uzeti robusniji model s većom nosivošću i jačim pogonom.
Za rad je potrebno trofazno napajanje 400 V i adekvatno pripremljena betonska podloga (minimalno 200 mm debljine, armirani beton). Radni prostor mora omogućiti sigurno otvaranje vrata vozila i pristup krakovima. Nepravilna podloga ili nedovoljan prostor direktno utječu na sigurnost i trajnost dizalice.
Dizalica se koristi za servisiranje vozila kao što su zamjena ulja, kočnica, ovjesa i radovi na podvozju. Kod EV vozila omogućuje pristup baterijskom kućištu uz pravilno pozicioniranje krakova. U praksi je pogodna za radionice koje rade širok spektar vozila, ali bez ekstremnih opterećenja.
Najčešća greška je podcjenjivanje težine vozila (posebno kod EV i SUV modela) te odabir dizalice na granici nosivosti. Druga greška je zanemarivanje radnog opterećenja (previše ciklusa dnevno). Treća je nepravilna priprema podloge, što kasnije uzrokuje probleme u radu i dodatne troškove.
Elektromehanički sustav zahtijeva redovito podmazivanje vretena i kontrolu matica. Servisni interval ovisi o opterećenju, ali se preporučuje kontrola svakih nekoliko mjeseci kod profesionalne upotrebe. Prednost je što nema hidrauličnog ulja, ali mehanički dijelovi zahtijevaju disciplinirano održavanje.
Za puni radni setup preporučuje se dodati gumene podloške za EV vozila, moment ključeve za rad na kotačima te kolica za alat za bržu organizaciju rada. Također je preporučljivo imati kompresor i pneumatski alat za povećanje efikasnosti servisa.